F11 RG-HPGe 系列高纯锗 γ 谱仪

 

探测器(可选其他效率和类型的探测器)

● 探测器类型:C系列高纯锗(优化全能型)

● 能量响应范围:3keV~10 MeV

● 相对探测效率:≥45%

● 能量分辨率:

≤1.98keV(@1.332 MeV 峰(60Co));

≤0.9keV(@122 keV 峰(57Co));

≤0.8keV(@5.9keV 峰(55Fe))

● 峰康比:≥64:1

● 峰形参数:

FW0.1M/FWHM ≤1.9,
FW.02M/FWHM ≤2.6

● 探头采用整体碳纤维封装(可选)

● 探头采用冷指可拆卸设计,可实现探测器互换使用(可选)

 

RG-LNC 液氮回凝装置

● 液氮回凝装置容积:≥28L;

● 液氮回凝装置的冷却温度<80K, 为制冷机零蒸发;

● 常温下系统漏率<1.0×10-8Pa·m³/s;

● 持续运行情况下每2年才需要补充一次液氮;

● 辅助冷却:内置风扇;

● 噪声水平:在30℃环境条件下,设备满功率运行,1m 运距离噪声水平小于60dB(A);

● 电源:100-240V;

● 正常功耗:典型值150W, 最大350W;

● 尺寸(不含探测器):φ435mm×680m m (不含把手);

● 工作温度:0-40℃,20-90% RH 无冷凝。

 

ATLAS-32T 数字化谱仪

技术指标

● 输入信号:正/负信号

● 通道:单路或双路,最大 65536 道

● 增益:六粗增益软件可调,0.5~1.2 细增益软件可调

● 成形时间:0.5us24us,平顶时间:0.12.4us

● 自动极零、自动优化

● 数字化门控端口,支持数字反康/反宇宙系统

● 高压:2 路或 4 路程控 0~+5000V、0~-5000V

● 非线性:积分 < ±0.02%,微分 < ±0.8%

● 计数通过率:≥500Kcps

● 内置虚拟示波器

● 模式:能谱模式和 LIST 模式

● 稳定性:72 小时零点漂移 < 1 道,增益不稳定性 < 0.2%

● 温度系数:零点 < 0.2 道/℃,增益 < 0.1%/℃


 

RG-5163T低本底铅室(可选配超低本底铅室)

● 顶开门;

● 铅室内腔尺寸:φ280mm×480mm,  有效测量高度250mm; 
● 铅室主体由外到内的构造:低碳钢外衬、老铅;

● 本底指标:针对效率为60%的高纯锗谱仪,能量范围40keV~2MeV, 积分本底保证值≤2.5cps(1.6cps可选)。

 

GammaSense谱分析软件

 

能量刻度界面

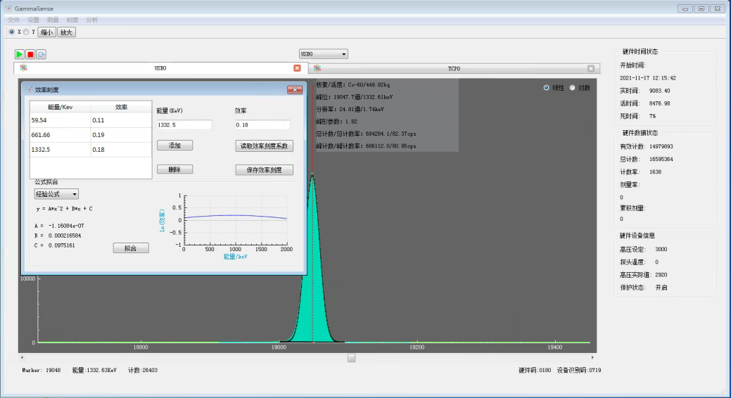
效率刻度界面

 

无源效率刻度软件


咨询热线
010-58256617